В США, Австралии, ФРГ успешно эксплуатируется значительное число плавательных бассейнов с солнечным обогревом, который в этой области весьма перспективен.

Простейшая солнечная установка обогрева воды в бассейне
Содержание
Преимущества солнечного обогрева бассейна
Владельцам плавательных бассейнов особенно выгодно использовать энергию солнца, если система связана с солнечной отопительной системой всего дома. Эксперименты показали, что в этом случае можно поднять температуру воды на 22°C выше температуры окружающего воздуха.
Температура воды в плавательных бассейнах обычно поддерживается на уровне 20–27°C, что всего на 5–15°C выше температуры наружного воздуха, а энергия солнечной радиации в летний период вполне может заменить традиционный источник энергии.
Благодаря использованию энергии солнца купальный сезон в открытых плавательных бассейнах может быть увеличен на 1,5–2 мес. в год, а в закрытых бассейнах будет обеспечена значительная экономия топлива и уменьшение загрязнения окружающей среды вредными выбросами.
В условиях средней полосы и в южной части России такие солнечные водонагреватели могут давать не менее 250–300 кВт*ч полезной теплоты с 1 м² площади плоского коллектора.
Схемы установок для обогрева бассейна
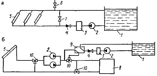
Схемы солнечных установок для обогрева плавательных бассейнов:
а — одноконтурная схема;
б — схема солнечной теплонасосной установки;
1 — бассейн; 2 — насос; 3 — фильтр; 4 — обратный клапан; 5 — коллектор солнечной энергии; 6 — воздушник; 7 — байпас с вентилем; 8 — тепловой насос; 9 — теплообменник; 10 — трёхходовый клапан
Одна из возможных схем гелиоустановок для подогрева воды в плавательном бассейне показана на рис. 2, а.
Вода из бассейна насосом прокачивается через фильтр и направляется в коллектор. Нагретая вода из коллектора поступает в бассейн.
В схеме предусмотрены:
- обратный клапан;
- воздушный клапан;
- байпасная линия с вентилем.
Солнечный коллектор должен быть изготовлен из коррозионно-стойких материалов, чтобы не подвергаться агрессивному действию воды из бассейна.
Материал должен:
- выдерживать температуру от —20 до 70°C;
- обладать хорошей поглощательной способностью;
- обладать высоким коэффициентом теплопроводности.
Через коллектор прокачивается большое количество воды и должно быть обеспечено такое поперечное сечение каналов, чтобы гидравлическое сопротивление было минимальным.
Наиболее подходящими материалами являются окрашенные в чёрный цвет:
- полиэтилен;
- полипропилен;
- синтетический каучук.
Первые два материала дёшевы, а каучук значительно дороже, но более стойкий.
При годовом поступлении 1050 кВт*ч/м² солнечной энергии на горизонтальную поверхность и площади коллектора 800 м² за сезон гелиоустановка может дать 170 МВт*ч теплоты, а потребность в теплоте составляет 270 МВт*ч.
В данном случае коллектор не имеет остекления, вода в нем подогревается на 3,5°C, и средняя тепловая мощность установки за сезон составляет 270 кВт, а ее КПД — 38,3%.
Длинные оребренные трубы изготовлены из полипропилена, а прямой и обратный соединительные трубопроводы — из полиэтиленовых труб.
Схема комбинированной солнечной теплонасосной установки для обогрева плавательного бассейна показана на рис. 2, б.
Летом в бассейне поддерживается температура не ниже 20°C. Это обеспечивается с помощью коллектора. При неблагоприятных погодных условиях включается тепловой насос, использующий коллектор в качестве испарителя.
В условиях средней полосы России солнечный водонагреватель, предназначенный для поддержания температуры воды в плавательном бассейне на уровне 20–24°C, даёт за сезон 250–270 кВт*ч полезной теплоты на 1 м² площади коллектора.
Для сравнения, годовая удельная теплопроизводительность:
- солнечные водонагреватели горячего водоснабжения — 300–500 кВт*ч/м² в год;
- солнечные водонагреватели отопления (30–70°C) — 150–300 кВт*ч/м² в год.
Тепловые потери
Бассейн теряет теплоту вследствие:
- испарения воды;
- конвекции и излучения в окружающую среду;
- теплопроводности от дна к грунту.
Требуемое количество теплоты от обычного топливного источника равно разности между суммарными теплопотерями бассейна и поступлением солнечной энергии.
Теплопотери открытого плавательного бассейна могут быть существенно снижены, если в те периоды, когда бассейн не используется, то есть в ночное время и в холодную ненастную погоду, закрывать его водную поверхность. Для этого можно использовать полимерную пленку или плиты из пенопласта.
При работе бассейна полимерное покрытие убирается и хранится в свернутом виде на краю бассейна, плиты также могут быть сложены там же в виде штабеля.
Второй вариант — двухслойное полимерное покрытие в виде подушки, которая надувается воздухом и изолирует поверхность воды от наружного воздуха; при работе бассейна воздух выпускается и благодаря наличию утяжелителей покрытие погружается на дно бассейна. Защита поверхности воды от наружного воздуха позволяет уменьшить тепловые потери на 40–50%.
Если глубина бассейна не превышает 1 м, то его дно и стены должны быть покрашены краской с высокой поглощательной способностью, а дно, кроме того, должно иметь шероховатую поверхность.
Для промывки фильтров используется тёплая вода (норма расхода на одну промывку — 0,9 м³ на 1 м² поверхности бассейна). Теплоту промывочной воды необходимо утилизовать, установив после фильтров теплообменник.
При реализации всех указанных способов энергосбережения потребность в теплоте снижается до 260 кВт*ч/м² за сезон, что составляет всего 40% первоначального значения. При этом требуемая площадь плоского коллектора уменьшается до 0,4 м² (вместо 1 м²) на 1 м² площади поверхности воды в бассейне.
Годовое теплопотребление бассейна составляет 700–800 МВт*ч, среднесуточная теплопроизводительность гелиоустановки за период май-сентябрь 2,5 кВт*ч/м² в день (максимум 6 кВт*ч/м²) при площади поверхности воды 1500 м², температура воды на входе в коллектор 20–27°C, а на выходе 24–36°C при расходе 10–90 м³/ч.
Комментарии